| Sign In | Join Free | My chinacsw.com |
|
Brand Name : yunyi
Model Number : FS6122
Certification : ce
Place of Origin : china
MOQ : 1
Payment Terms : L/C, D/P, Western Union, T/T
Supply Ability : 1000pcs/month
Delivery Time : 7days
Flow Range : - 250 ~ +250SLPM
name : Medical CPAP Sensor Fusion oxygen Gas Flow Sensors Mass Air Flow Meter
Accuracy(Total Error Band) : ±(2.5+0.5FS) %
Analog Output Range : 0.5 ~ 4.5 Vdc
Medical CPAP Sensor Fusion oxygen Gas Flow Sensors Mass Air Flow Meter
Description
FS6122 series mass flow sensors are specially designed for personal ventilators for CPAP (continuous positive airway pressure). The sensor integrates MEMS mass flow sensor with a MEMS pressure sensor that provides the necessary information for the proper performance of the state-of-the-art CPAP ventilators. The miniature package not only provide space saving for the ventilator but also provides high accuracy and fast response for both mass flowrate measurement and gauge pressure data while with a very low pressure drop and small dead space.
Detailed Images


Specification
| Medical CPAP Sensor Fusion, Ventilator Flow Sensor, Mass Air Flow Meter | ||
| Parameter | FS6122 | Unit |
| Flow Range | - 250 ~ +250 | SLPM |
| Accuracy(Total Error Band) | ±(2.5+0.5FS) | % |
| Output** | Linear, Analog/I2C (14 bit) | |
| Analog Output Range | 0.5 ~ 4.5 | Vdc |
| Response Time | 2 | ms |
| Pressure Sensor | ||
| Pressure Type | Gauge | |
| Pressure Range | -5 ~ +40 / -5 ~ +100 | cmH2O |
| Accuracy | ±1.0 | %FS |
| Output** | Linear, Analog/I2C (14 bit) | |
| Analog Output Range | 0.5 ~ 4.5 | vDC |
| Update Time | <1 | ms |
| Temperature and Humidity Sensors | ||
| Temperature Range | -10 ~ +60 | ℃ |
| Temperature Accuracy | ±0.5 | ℃ |
| Humidity Range | 0 ~ 100 (No Icing or condersation | %RH |
| Humidity Accuracy | ±2.0 (20 ~ 80%RH; ±5.0 max (other ranges) | %RH |
| Humidity Resolution | 0.7 | %RH |
| Humidity Response time (63%) | 5.0 (25 ~ 75%RH) | sec |
| Humidity Stability | 0.5 | %RH/year |
| Other Specifications | ||
| Gas Type | Air | |
| Supply Voltage | 5.0 ± 5% | Vdc |
| Output Pin Shape | 6 Pins, NS-TECH CD R-6 | |
| Accuracy Compensated Temperature | -5 ~ +65 | ℃ |
| Storage Temperature | -5 ~ +85 | ℃ |
| Maximum Pressure*** | ±30 / ±80 | kPa |
| Warming Up Time | <50 | ms |
Note: * The above parameters are applicable at 20℃ and 101.325kPa;
** 14 bit for I2C.
*** Base on the working pressure of the pressure sensor.
Features
! Measures mass flow rate and gauge pressure
! Fast response time
! Highly sensitive in small flow rate
! Low power consumption
! Specially designed for medical equipment
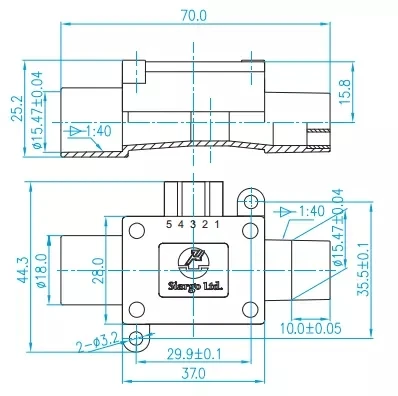
Mechanical Dimensions
Product Selection

FAQ
Q:How long will you reply me?
A:We will contact you as soon as possible but within 12 hours
Q: Can I get some samples?
A: Yes, Sample order is available for quality check and market test. But you have to pay the express cost.
Q: How soon can you arrange your production?
A: Once getting your product confirmation and receiving the prepayment, the production will be started immediately.
Q: What's delivery time?
A: It usually takes about 3-5 working days for small order and 10-15 days for big order.
Q:How do you control your quality ?
A: Three inspection steps(of original, production, and finished goods) + good warranty service(1 year free to change a new one without any human damage factors).
Q: What certificates do you have ?
A:ISO9000, CE, Explosion-proof certification, RoHs ready. And before the delievry of goods, quality and safety inspection certification issued by third parts also can be offered.
Q:Could I visit your factory?
A:Very welcome! Fly to Xian Yang air port. It was a big pleasure for us.
Q: What's your warranty terms?
A: We offer 12 months warranty time.
Q:can you provide OEM & Customized service?
A:Yes, OEM and ODM are both available, we have the professional R&D dept which can provide professional solutions for you.
|
|
Medical Fusion Oxygen CPAP Sensor Gas Flow Sensors 4.5Vdc Images |